TwitterLinkedinTelegramTelegram
Gilles MartyEleveur - France16-Déc-2014
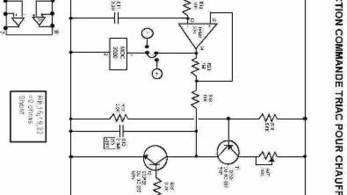
Shéma commande triac
X
XLinkedinWhatsAppTelegramTelegram
J'aimecommente
Partager
Mes favoris